产品特点
● 等电位过零技术,实现电压过零时导通,电流为零时切除,确保投入无冲击涌流、切除无过压;
● 选用优质大功率、高耐压(反向耐压1600V)可控硅模块,工作稳定可靠;
● 成熟稳定的抗干扰电流设计,确保开关长期稳定工作;
● 元件布局合理、结构设计紧凑,接线、安装方便,调试简单;
● 可适用于三相补偿或分相补偿回路,每相单独控制、单独触发,避免电磁干扰;
● 输入信号与开关光电隔离,抗干扰能力强,高 EMC 保护措施;
● 瞬态过电压抑制保护电路,缺相保护电路,温度保护机制。
技术参数
项目 | 参数 |
额定电压 | 低压系统≤450V |
额定频率 | 50Hz |
控制容量 | 三相60kvar及以下,单相20kvar及以下 |
安装海拔 | ≤2000米 |
运行环境 | 温度-25℃~+45℃,相对湿度不超过90%,周围环境应有良好的通风条件 |
控制电压 | DC +12V |
控制电流 | 20mA |
投入涌流 | 小于2In |
使用寿命 | ≥100,000小时,免维护 |
投切时间 | <20ms |
产品型号
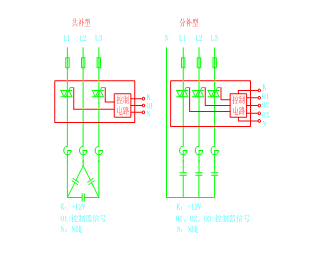
产品接线

产品选型
三相电容器配套无触点可控硅开关 | ||
规格型号 | 匹配电容器(共补) | 电容容量(kVar) |
SINCO-TSC2-10 | BSMJ0.45-10-3 | 10 |
SINCO-TSC2-15 | BSMJ0.45-15-3 | 15 |
SINCO-TSC2-20 | BSMJ0.45-20-3 | 20 |
SINCO-TSC2-30 | BSMJ0.45-30-3 | 30 |
SINCO-TSC2-40 | BSMJ0.45-40-3 | 40 |
SINCO-SC2-50 | BSMJ0.45-50-3 | 50 |
SINCO-TSC2-60 | BSMJ0.45-60-3 | 60 |
单相三合一电容器配套无触点可控硅开关 | ||
规格型号 | 匹配电容器(共补) | 电容容量(kVar) |
SINCO-TSC3-10 | BSMJ0.25-3.34X3-1Y | 3*3.34Kvar |
SINCO-TSC3-15 | BSMJ0.25-5X3-1Y | 3*5Kvar |
SINCO-TSC3-20 | BSMJ0.25-6.67X3-1Y | 3*6.67Kvar |
SINCO-TSC3-30 | BSMJ0.25-10X3-1Y | 3*10Kvar |
SINCO-TSC3-40 | BSMJ0.25-13.34X3-1Y | 3*13.34Kvar |
SINCO-TSC3-50 | BSMJ0.25-16.67X3-1Y | 3*16.67Kvar |
SINCO-TSC3-60 | BSMJ0.25-20X3-1Y | 3*20Kvar |